The Cathode-Ray Tube


The cathode-ray tube oscilloscope is an experiment that I had thought was beyond the scope of these pages, mainly because of the cost and difficulty of obtaining the components. However, I built the oscilloscope shown at the right. The three parts are the scope itself, the deflection amplifiers, and the power supply for the deflection amplifiers. The CRT is still in widespread use, the most numerous survivor of the vacuum tube tribe, and has much intrinsic interest besides, so it would make a good laboratory exercise. Happily, it turns out to be quite possible to make an oscilloscope from scratch for about $100, which is not really a great deal these days. A CRT and a power transformer can be purchased from Antique Electronic Supply, 6221 S. Maple Ave, Tempe, AZ 85283. These are the two most expensive components, followed by the 5" x 10" x 3" aluminum chassis and the potentiometer controls. Because of the serious high voltage, a CRT should not be made on the breadboard, but properly constructed in a permanent form. Although CRT's are still widely used in oscilloscopes, the manufacturers seem to use tubes specially designed for them, while commercial types such as the 2AP1A are not produced, since people do not generally make their own oscilloscopes.

The idea of an oscilloscope to display transient phenomena appeared actually very early. Ferdinand Braun in Germany seems to be the pioneer, reporting his work in 1897. The study of the electron by J. J. Thomson indeed used a sort of cathode-ray tube, and it was only necessary to adapt it to engineering measurements. J. Zenneck improved Braun's tube in 1899, using a linear sweep to display waveforms. Long photographic exposures were necessary to record the repetitive pattern on the dim luminescent screen. MacGregor-Morris used a Braun-Zenneck type tube in England in 1902. H. J. Ryan, in the United States, had a 5" tube made in Germany which used magnetic deflection, with which he studied waveforms in 1903. The curious and almost forgotten development of cathode-ray relays by von Lieben and others around 1910 used similar tubes, as well as electrostatic deflection. This was an attempt to amplify analog signals that was soon superseded by triode amplifiers. In 1908, ZnS was suggested as a luminescent material by Giesel and Zenneck for brighter screens.

In spite of all this activity, the oscilloscope did not really come into widespread use until much later. Today, we can hardly imagine an electronics laboratory without one. The first high-vacuum oscillograph of the modern type was demonstrated by Zworykin in 1929. An oscillograph records what happens in a brief interval of time somehow, in some early devices on a photographic plate placed inside the vacuum, so the apparatus had to be pumped down for each exposure. Later, electrons exposed the plates through a very thin metal window, but before long brighter luminescent screens were developed, creating the oscilloscope, on which the display could be watched visually, and even photographed with short exposures to record transient events. Such displays were necessary for the radar of the 1940's, which would hardly have been possible without them. Polaroid photography of oscilloscope screens was popular until digital scopes, that stored a digital record of events, became available.

CRT Principles

The Cathode-ray tube (CRT) consists of an electron gun, deflecting apparatus, and luminescent screen. It is essentially an inertialess pointer that can be moved rapidly in two dimensions, and can be modulated in intensity. The common picture tube is a CRT with magnetic focussing and deflection, often containing three electron beams that are directed to separate phosphor spots to display different colors, and which are modulated to display different intensities. We will mainly be concerned here with the oscilloscope display tube, which has electrostatic focusing and deflection, and a monochromatic, short persistence phosphor. The "phosphor" is a luminescent material that emits light when excited by energetic electrons. The light emitted at or soon after electron impact is fluorescence, while delayed light is phosphorescence. The fluorescent and phosphorescent light are usually different colors.

The electron gun produces a beam of high-speed electrons focussed to a small spot on the screen. The source of electrons is a thermionic cathode. The intensity is regulated by the negative potential on a thimble in front of the cathode that has a small hole which is the approximate point source of electrons. The electrons are accelerated by a second anode at high potential, more than 500 V in most cases, which is in two parts, separated by a first anode at a somewhat lower voltage. By adjusting this voltage, the focal length of the equivalent electron lens is changed. The electron current is a few microamperes. The speed of the electrons can be calculated from an energy balance: 0.5mv2 = eV, or v = √2eV/m. This equation is approximately correct up to accelerating voltages of about 2500 V, when the electrons are accelerated to a tenth the speed of light. For higher voltages (as in most TV picture tubes) relativistic dynamics must be used.

The electron beam is guided by two pairs of deflecting plates at right angles. The electric field established between the plates of a pair gives the electrons a sideways kick, which deflects the beam accordingly. The time spent in passing through deflecting plates of length l is t = l/v, and the sideways velocity v' can be found from the momentum-impulse principle: mv' = eEt = eV't/d = eV'l/vd, or v' = elV'/mvd. The electric field E = V'/d, where d is the spacing between the plates. The angle of deflection is then about θ = v'/v = elV'/mv2d. If the distance to the screen from the deflecting plates is L, and we use the equation for the velocity in terms of the accelerating potential, we get the deflection D = θL = 2lLV'/Vd. Remarkably, this does not depend on e/m, but only on the voltages and the dimensions. The deflection sensitivity in mm/V is often quoted for a particular tube, and it should be noted that it is inversely proportional to the accelerating voltage. Electrostatic deflection is very fast because it is not subject to the inductive effects of coils.

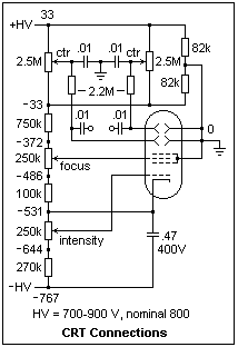
The circuit for a CRT is shown at the right. The circuit is slightly modified from one in the 1954 ARRL Amateur Radio Handbook. For a nominal high voltage supply of 800 V, the voltages at the nodes on the voltage divider are shown. Note that A2 and the deflecting plates have been brought near ground, while the cathode is at a large negative potential. All resistors are 1W metal-film, except for the two 2.2M resistors for the centering controls to the deflecting plates. An AC connection to the plates through 0.01 μF capacitors is shown; these should probably be replaced by 0.1 μF capacitors to pass lower frequencies. The focus and intensity controls are at high negative voltages, and must be carefully isolated from the operator. Good-quality controls are necessary, and they should be rated to resist the voltage. This circuit was designed for a 2BP1 tube, which has greater deflection sensitivity than the 2AP1. The 2AP1 was, however, considerably cheaper, and is quite satisfactory for our purposes.

A power supply for the CRT is shown at the left. The maximum voltage across the 1W metal-film resistors is 350 V. They serve the dual purpose of equalizing the voltages on the filter capacitors and acting as a bleeder to discharge the capacitors when the supply is turned off. The two capacitors in series are equivalent to 50 μF, more than sufficient here, even with half-wave rectification, since the total drain on the supply is no greater than 1 mA, half of which is in the bleeder resistors. The low current also eliminates any problems with DC in the transformer secondary. The Hammond 270CAX transformer with a 500 VCT secondary gives 807 V on 120 VAC, 737 V on 110 VAC. Transformers are rated at full load, and can give significantly higher voltages at low loads. Note that two 1N4007 rectifiers are used in series, since the PIV is over 1600 V in this circuit.

The basing for a 2AP1-A CRT is shown at the right, looking at the pin end of the tube. Since the proper 11-pin socket is not easily available, connections can be made with 0.093" female spring receptacles designed for connectors (Digi-Key WM1105-ND). The CRT can be supported by a 1-1/4 x 1-1/4 x 1/2 PVC tee, the middle leg of which is 1/2 pipe, so a close nipple and floor flange will support the tee. I could not find the exact tee, so I used a 1-1/4 tee, and a reducer to 1/2 pipe. No pipe size exactly fits the CRT, but rubber or fiber pads can be used at both ends to support the CRT in the pipe. The leads are brought through grommets in the top of the chassis in shrink tubing. The heater, cathode, grid and focusing electrode are in one bunch (5 wires), ground and the deflection plates in the other (3 wires). One of the heater leads is connected to the cathode at the tube base. The accelerating anode, and one side of the deflection plates, are also connected together at the base. The portion of the tube from the deflecting plates to the screen is accessible, so that a solenoid can be slipped over the end of the tube for possible experiments, such as the determination of e/m.

CRT type designations followed a regular pattern. The first number was the diameter of the screen in inches, and the final characters denoted the type of phosphor. A 2AP1 was 2" in diameter, and used a P1 phosphor, which gave a bright greenish spot of medium persistence. The smallest CRT was the 1EP1, while electrostatic deflection was used up to 5", and occasionally to 7". Beyond this diameter, magnetic deflection, and magnetic focusing, were more common, and universal in TV tubes, which used a P4 phosphor that gave a white, medium-persistence spot. There were phosphors with long persistence for viewing nonrecurring phenomena, such as the two-layer P7 and P14 phosphors, which persisted for several minutes. Other phosphors were better for photography, such as P5 and P11.

The 2AP1-A (the A represents an improvement of the original design) has a maximum ultor (the final accelerating electrode) voltage of 1000V, 500V on grid 3 (focusing), -125V on grid 1 (intensity). The grid 3 voltage for focus is about 140V to 300V, and visual cutoff at about -90V on grid 1. The deflection sensitivity at 1000V accelerating voltage is 195-265 V/in on deflecting electrodes 1 and 2 (the ones nearer to the screen, pins 3 and 8), and 167-225 V/in on deflecting electrodes 3 and 4. The 2BP1, a successor to the 2AP1, allowed accelerating voltages of 2500V and had about twice the deflection sensitivity.

The inside of my scope is shown at the left. The intensity and focus potentiometers are visible, as are the filter capacitors on the power supply board, and the wiring near the deflection terminals. The accelerating anode is at ground potential, and the cathode is at negative high voltage. Test your circuit at several stages before connecting the CRT by applying the AC voltage slowly with a variable transformer, starting at zero, while measuring the interesting voltages to see that they are correct, and not too high. Be very careful, since these voltages are dangerous. Connect the meters before turning on the power, so that all you have to do is read them, and do not make alterations with the power on. Note that it requires several minutes for the voltage across the filter capacitor to decrease to a safe level after the switch is turned off. All exposed metal should be grounded to the green wire in the power cord. Check this with an ohmmeter.

CRT Experiments

Just getting the tube to work is a useful experience, testing the intensity, focus and centering controls. 60 Hz AC voltages were applied to the deflecting plates to test the deflection sensitivity. I found that 57.6 V rms, from a voltage divider, drew a line 33 mm long. The peak-to-peak deflecting voltage was 2 x 57.6 x 1.414 x 0.89 = 145 V, where the factor 0.89 is the voltage divider action of the input capacitor and the 2.2M resistor at 60 Hz. Therefore, the deflection sensitivity is about 0.23 mm/V. This means that deflection amplifiers should have an output of about 150 V peak-to-peak to fill the screen. As we shall see, making such amplifiers is quite easy, so the 2AP1A will prove quite satisfactory.

My oscilloscope worked when it was turned on, to my great relief. There were no hints of distress in the circuits, no smoke and no sparks. All of the controls worked as predicted, except that the centering controls had a limited range and the range was not symmetrical about the center of the screen. The key on the socket post should be about 30° from the lowest position, as seen from the base of the tube, so that the deflections are horizontal and vertical. They are, of course, perpendicular in any case. The trace could be focussed very nicely, and gave a fine, clear line.

A deflection voltage range of about 150 V is required for the 2AP1A, which is easily obtained with the amplifier shown at the right, which uses a high-voltage MPSA43 NPN transistor. The quiescent collector voltage should be about 75 V. The gain of this circuit is about 150, so an input voltage around 1 V is sufficient, provided by a straightforward noninverting amplifier, whose gain can be set at 1, 10 or 100, giving sensitivity down to millivolts. The power supply for the op-amp should be bipolar, and ±5 V will do. Of course, two separate circuits are required, and you will get a useful X-Y scope with no further equipment. The provision of a triggered sweep is a special problem, that will not be attempted at this time.

A Lissajous' figure is an interesting display for test purposes. The circuit at the left, using an analog multiplier, produces signals at f and 2f, with the f output phase-shifted by the RC network. I used an LM310 unity-gain follower to buffer the output, but any unity gain follower made with an op-amp will do. The gain controls on the deflection amplifiers could be used to make the shape of the figure the most pleasing. Varying the frequency will vary the phase shift, changing the figure. It is also possible to use two function generators, which will produce a moving pattern, and require close adjustment to get a simple figure that changes slowly. If you have only one function generator, construct any of the sine wave oscillators mentioned in the page on oscillators for the second source. Lower frequencies make easier adjustment. Try the triangle waves as well as sine waves.

The tube could be put in a solenoid that produces a longitudinal magnetic field. This will give deflected electrons a spiral path, and the field required to give one full rotation can be used to determine e/m for the electron, since the angular velocity of the motion about the magnetic field is simply (e/m)B. Since the time of flight with 530 V accelerating potential will be around 18 ns, a field of only 20 gauss is enough, which can be created with only about 15.5 A-t/cm. This experiment seems quite feasible with this equipment, but will require some development.

While working with a photomultiplier, the 931-A, an alternative high-voltage low-current power supply was developed that proved very satisfactory. See Photomultipliers. This is a voltage sextupler fed with 120 VAC, which provides just over 1000 V and is easy on the voltage ratings of the components. This supply, even with an isolation transformer, is much cheaper than the one used here, and should work very well for an oscilloscope.


Return to Electronics Index

Composed by J. B. Calvert
Created 25 August 2001
Last revised 6 April 2002