The Vacuum-Tube Voltmeter and the Grid-Dip Oscillator


Introduction

The vacuum-tube voltmeter (VTVM) and the grid-dip oscillator (GDO) were popular instruments in vacuum-tube days, both using, as their names implied, vacuum tubes. The VTVM was a high-input-resistance voltmeter, necessary for measurements in high-impedance, low-voltage grid circuits typical of vacuum tubes, and the GDO was for measuring the resonant frequency of tuned circuits that had air-core inductors. These instruments supplemented the electrical measurement workhorse, the volt-ohm-milliammeter (VOM), which was based on a d'Arsonval moving-coil meter.

It is quite easy to realize the VTVM and GDO with field-effect transistors (JFET's), and today we have the digital multimeter (DMM) that gives readings directly in digits, instead of a dial pointer, but also has as high an input resistance as a VTVM. When prices are compared between, say, 1958 and 2000, today's DMM is also considerably cheaper, although kits were available then for building your own VOM at a reasonable price. The DMM, however, works on a completely different principle than the VTVM or VOM, using analog to digital conversion instead of the analog current-sensing device. In this page, I'll look at the actual vacuum-tube VTVM and GDO, since the study is very instructive, but also give transistor equivalents.

It is much to be lamented that the test-equipment kits that were once so widely available, from VOM's to oscilloscopes, are no longer found. At the time, they were much cheaper than commercial instruments, especially domestic ones. Today's manufacturing methods make factory-produced items so cheap that kits with expensive parts (and U.S. manufacturers) cannot compete. Heathkit was the most famous firm, which offered a wide range of instruments, including signal generators, signal tracers, VTVM's, oscilloscopes and much more. Even Radio Shack offered kits ("Archer"), as well as Allied ("Knight") and Lafayette. The learning and experience these kits offered is now hard to find.

The VOM

First, it will be useful to discuss the VOM, since it is fundamental, and still has definite advantages in the era of the DMM. The DMM gives readings in digits, while the VOM provides pointer indications. The DMM makes several conversions a second, so it is always a little behind and becomes confused when the input is fluctuating. The VOM, on the other hand, has mechanical inertia, and follows input fluctuations as if through a low-pass filter. If you have such a noisy input, the DMM is frustrating to use, while the VOM is pleasant. This is the greatest advantage of the VOM over the DMM, so it is worth while to have a VOM around to handle these occasional conditions. If you do not measure resistance with the VOM (the DMM is always superior here), then the batteries can be removed, since the voltage and current functions require no power source, another convenient advantage.

The heart of the VOM is the d'Arsonval movement, which made small portable instruments possible, allowing convenient and accurate electrical measurements in the field. It has a strong permanent magnet field, in which a rectangular coil of fine wire can rotate about an axis in the plane of the coil. The pointer is connected to this coil, and the rotation is constrained by the spiral springs, resembling watch balance wheel springs, through which current is led to the coil. The bearings were also usually jewels, as in a watch. About 1962, a new kind of movement, the taut band suspension, came into use. Here, the restoring force comes from a twisted metal strip to which the coil is attached. No bearings are necessary. There are stops at each end of the movement, which is generally through an arc of about 90°, and weights to counterbalance the pointer. One end of a spring can be rotated by an external adjustment to set the pointer to zero when no current is passing. Movements that gave a full-scale deflection for 50 μA were common in good instruments, and some had even greater sensitivity, down to 18 μA, for portable meters. The linearity of a movement depended on the uniformity of the magnetic field and the quality of the springs. VOM's had selectable DCV, ACV, DC mA, and Ohms scales, with four or more ranges each.

To make a voltmeter, a resistance was placed in series with the coil to limit the current to the full-scale value when the desired maximum voltage was applied. The value of this multiplier is, therefore, R = Vfs/Ii - Ri, where Ri is the resistance of the movement, and Ii the current corresponding to full scale. The sensitivity of the meter is specified as so many ohms per volt, which is simply the reciprocal of Ii. A 50 μA movement, therefore, gives 20,000 Ω/V, a typical value for a good-quality VOM. The resistance of the movement would be something less than about 5000Ω, but might be set to exactly this value by a variable resistance in series for a production instrument. Less expensive meters might have 5,000 Ω/V (a 200 μA movement) or even 1,000 Ω/V (a 1 mA movement) for simple electrical "testers." 20 μA movements gave 50,000 Ω/V. Excellent meters of this sensitivity were sold by Radio Shack (22-204). They were made in Korea, and had modifications in construction that made them much cheaper than equivalent U.S. meters without compromising accuracy. They had mirrored scales to eliminate parallax (you could put your eye directly above the pointer), and a range-doubler that reduced the sensitivity to 25,000 Ω/V, but allowed all measurements to be taken on the upper half of the scales. An earlier example was the small 21-102 from Japan with 20,000 Ω/V at an excellent price. The standard meters of U.S. manufacture were the Simpson 260 and the Triplett equivalent, and the RCA WV-38, which were always rather expensive but of excellent quality. These meters do not wear out, and do not require calibration, so are a good buy wherever you may find them.

To make an ammeter, a resistance was placed in parallel with the movement to divert current away from it. The value of this shunt is R = RiIi/(Ifs - Ii). If Ifs = 1 mA, then R = 263Ω for the 5000Ω, 50 μA movement. For Ifs = 10 A, R is only 0.025Ω. Good VOM's had a 10A scale, with dedicated + and - jacks. These jacks were connected by a large-diameter wire, with a tap at the correct point to give the required shunt. Of course, the resistance was very low. A 20,000 Ω/V meter presented a "load" at full scale of 0.25 V when measuring current.

To make an ohmmeter, an internal battery (usually 1.5V or 9V, depending on the range) was placed in series with a resistance and the test leads, and the voltage across the resistance measured (or something equivalent to this). When the test leads were touched together, the resistance was adjusted to show zero ohms. When the test leads were touched to the points between which the resistance was desired, the reduced voltage due to the smaller current was indicated. The scale was calibrated directly in ohms so that no calculations were required. Half-scale was about 30Ω on the R x 1 scale. The test lead normally considered "positive" could actually be either positive or negative on the ohmmeter function. A DMM works in essentially the same way, but requires no zero adjustment. About 1 M was the largest resistance that could be measured with any accuracy.

Most measurements were made with the test leads in the VOM (+) and COM (-) jacks, but other jacks were provided for special functions. We have already mentioned the +10A and -10A (sometimes COM was used instead of -10A) jacks for large currents. There were also high-voltage jacks for DC and AC, 1000V or 5000V. These jacks were connected to (+) through large resistors to ensure a safe voltage at the meter input. An OUTPUT jack connected with (+) through a 0.1 μF, 400V capacitor to block DC when measuring the AC component of a signal. The WV-38A had an 0.25 V--50 μA jack connecting directly with the movement and using COM for the other end. There was also a 1 V jack that connected with the 0.25 V jack through a 15k resistor. The tendency was generally to fewer special-purpose jacks.

VOM's had AC volts ranges, intended for power and audio frequencies, up to about 5 KHz or so. The input was rectified and filtered, usually with a single diode acting as a half-wave rectifier and a capacitor, which charged to the peak value of the input wave. The factor of √2 to convert from peak to rms was taken care of in the calibration. If you tried to measure DCV on an ACV range, you got erroneous values (too much or zero). Any DC in the signal gave bad results on AC, so the OUTPUT jack was provided to block the DC. If you had no OUTPUT jack, you had to connect the 0.1 μF capacitor yourself. There was no attempt to provide AC current scales; DMM's were the first to offer this. IC's are now available that will compute an actual rms value, for any waveform, and give a DC voltage. These circuits can be added to any kind of meter.

Radio frequencies were measured with the aid of an RF probe, which was simply a diode rectifier, often using the capacitance of the connecting cable as a filter. It converted amplitude modulated RF to an audio signal that could then be measured on the AC ranges. In practice, I usually use an oscilloscope for AC measurements, to avoid the mysteries of the meter, except for AC power circuits, which are easy to handle.

The VTVM

Like the VOM, the VTVM had DC and AC voltage scales, but usually did not measure current or resistance. A typical VTVM circuit is shown at the right, adapted from the 1954 ARRL Amateur Radio Handbook, p. 461. It uses a 12AU7A dual triode, which has μ = 20 and a maximum plate voltage of 300V. Note that the bipolar supply is provided by a voltage divider formed by the 22k, 1/2W resistors, and the input 150V must not be referred to ground. This is a standard differential amplifier circuit, balanced by adjusting the 10k potentiometer. When balanced, about 1 mA plate current flows in each triode when the grids are both at zero potential.

There is an input voltage divider formed by the 1M and 10M resistances. The 10M is generally composed of a number of resistors to give different scales, which are selected by a rotary switch. The input resistance remains constant at 11M for any scale. The 0.01 μF capacitor filters out any noise at the left-hand grid that may come in at the input. When Vin is made positive, the current through the left-hand triode is increased, while the current through the right-hand triode is decreased by practically the same amount, since the total current through the 33k resistor must remain constant. The difference in currents through the 2.2k cathode resistors then causes the potentials of the cathodes to change, and this change is measured by the meter connected between them. For a small change, the current will be proportional to the input voltage.

An equivalent to the VTVM, using an FET-input op-amp, is shown at the left. At one time, FET-VOM's were offered for sale. Of course, one could also build an FET differential amplifier, but using an op-amp is a simple and easy alternative. The input voltage divider shown provides 1V, 10V, 100V and 1000V ranges. You can make a very practical instrument at low cost, if you happen to have a good meter of any kind. The circuit can be adapted to any meter by choosing the voltage-to-current resistor properly. Use 1% resistors, now available quite cheaply, and avoid potentiometer adjustments. Note the diodes used to protect the meter from overvoltage. These are always a good idea. Silicon diodes had to be used in this case, since germanium diodes had too low an ON voltage for the meter used. The meter I used to test the circuit was, in fact, a very cheap ($1.50) 250 μA meter from All Electronics, with a 0-10 scale and called the "Seeker." It worked quite well, although the meter has a nonlinearity of 15%. This has a surprisingly large effect at mid-scale (1.5 units). The resistance of the meter is 1240Ω, and I measured full scale at 240 μA. This is an excellent meter for experiments because of its low price.

The GDO

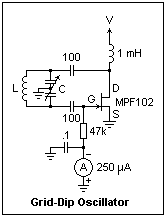
A grid-dip oscillator (here, actually a gate-dip oscillator) is shown at the right. It can be used to measure the resonant frequency of tuned circuits, which is not only useful in itself, but also for determining inductance and capacitance. It was a familiar device in the workshop of the radio builder and amateur radio operator. The capacitor C is a dual-section air variable, as used in superheterodyne radio receivers. The large (RF) section is 300 pF, the small (oscillator) section is 140 pF. The minimum capacitance of each section is 30 pF. Such capacitors are available new for about $20, but a salvaged capacitor will work just as well. The small section is connected to the gate, the large section to the drain. The oscillator is a Colpitts type, with capacitive voltage division. Using this kind of oscillator makes the coils easier to wind. Inductance L is an antenna coil wound on a 1/4" form, with slug tuning. Anything similar will do.

The idea is to have a variable-frequency oscillator that is oscillating steadily but not too strongly. The gate bias is produced by the DC gate current through the 47k resistor. The stronger the oscillation, the more bias required and the larger the gate current. The supply voltage V is varied until the gate current is a suitable value. In this circuit, I found that 9 V gave a gate current of 200 μA. The principle of making a measurement is to couple the resonant circuit under test to the oscillator coil. When the oscillator and external circuit have the same resonant frequency, losses from the external coil are most effectively reflected into the oscillator tuned circuit, making it resonate less strongly and decreasing the gate current (so that the transistor will give more gain to compensate for the losses). For accuracy, the coupling must not be too tight. The best result is a small but sharp dip when the circuits are in resonance. The frequency is then read off on a calibrated scale.

The principles of the grid-dip oscillator can be studied with this circuit. For a practical instrument, different coils L must be wound, and a calibrated dial provided. An excellent source for explaining how to do this is The Impoverished Radio Experimenter, Volume 2 (Bradley, IL: Lindsay Publications, 2001), available from Antique Electronic Supply. For a resonant circuit to test, I used a variable capacitor and an oscillator coil, but anything similar will do. The use of this instrument will be found to require some skill, but, of course, this is true for anything worth-while.

A vacuum-tube grid-dip oscillator is shown at the left. The circuit is very similar to the FET oscillator, but a few of the components had to be changed. The odd 2C26A tube is what was at hand when the oscillator was constructed; any triode can be used. The 220 Ω resistor in the cathode lead makes it possible to measure the DC plate current, and provides some cathode bias to protect the tube. The 47k grid leak is replaced by 330k, since the 2C26 requires much greater grid bias. Full scale on the meter corresponds to a grid bias of -82 V. This circuit oscillated very strongly at the lower frequencies, but because of poor lead dress slipped into another mode at the minimum capacity. At any rate, it oscillated from 878 kHz to 1.7 MHz, and gave a good dip when a resonant circuit was coupled to it.

A DMM cannot be used to measure the DC grid bias, because it is confused by the large RF oscillation. Use the oscilloscope instead. The grid waveform will be found to be clamped to a slight positive value. Since cutoff for the plate voltage used occurs at about -6 V, the tube is cut off strongly except at the peaks of the grid signal. That is, the oscillator is working Class C. The plate and grid excursions are quite high, roughly 100 V and 50 V, respectively. This is a very good example of a Colpitts oscillator. The DC plate current was only 1.5 mA, and the grid current 0.2 mA, so no power ratings are pushed. Be aware, however, of the large voltage swings in the resonant circuit.


Return to Electronics Index

Composed by J. B. Calvert
Created 13 May 2002
Last revised 1 July 2002