Differential Signalling

The EIA-422 and EIA-485 Standards


Introduction

We have discussed the principles of serial data communication in a previous article, where the RS-232 (now EIA-232) standard and the UART were treated. Here we shall look at another standard that provides communication in an electrically noisy environment over much greater distances and at higher speeds. The basis of this is differential transmission, for which special transmitter and receiver integrated circuits have been developed. The fundamental idea is to transmit the data over two wires, on one of which the data is inverted. At the receiver, the signal on one line is inverted and added to the other. This doubles the desired data, and cancels all interference that is the same on both lines. Even any common-mode noise coming from variations of the ground level is cancelled. The signal wires are usually a twisted pair to ensure that they are equally affected by any disturbance.

The earlier EIA-422 standard envisions a single transmitter on a link with a number of receivers. The EIA-485 standard extends this to a number of transmitters on the same link, which can be selected to be in a high-impedance output state. Measures are taken to reduce the effects of bus contention and other situations that may arise. The typical EIA-485 link uses one pair of wires to which a number of transceivers are connected, in a half-duplex arrangement. The EIA-485 standard extends and includes the EIA-422 standard, so EIA-485 devices can be used on EIA-422 links.

The EIA-485 standard specifies data transfer at 100 kbaud at a distance of 1400 m, with faster data rates possible with shorter links, up to 30 Mbaud. Because of the extended length and operation in electrically noisy environments, it is important to consider the nature of ground connections.

Grounds

A ground or earth (let's use the term ground here) may have several meanings. A physical ground is an actual conductive connection with the earth, for example by a rod driven into the ground. The idea is that such a connection will source or sink any amount of current without a change in potential. The earth is considered to be an electrically conductive medium. In practice, the earth is not a good conductor and it can be difficult to obtain a good ground. Two physical grounds at different locations will, in general, not be at equal potentials and if they are connected by a wire a current will flow. There should not be any reason to connect two such grounds in any case.

A physical ground can be modelled by a resistance and a voltage source in series with an ideal ground. Two such grounds are shown in the figure at the left, connected by a conductor of negligible resistance. If E1 and E2 are different, a current flows as shown. The voltage of the ground sourcing the current drops and the voltage of the ground sinking the current rises. If the current and the voltage changes are measured, the resistances of the grounds R1 and R2 can be determined. The values of the voltage sources vary unpredictably with local conditions.

The usual ground in electronics is the circuit common, which is the reference point for measuring voltages (all voltage measurements require two points). This is often a chassis ground, a connection with the metallic chassis on which the circit is grounded, or with a ground plane on a printed circuit board. A special conductor may be provided as a signal ground for reference of signal voltages. If finite resistances exist between various ground references, they may couple signals in what is usually called a ground loop. All of these grounds are floating grounds that may be brought to any desired potential by conductive connections. The grounds in any system should be a star configuration, without loops and with one reference point.

Finally, grounds are associated with the mains AC power supply. The typical residential service in the U.S. consists of two hot wires connected to the ends of a 240V transformer secondary, wound around a bare neutral conductor connected to a centre tap on the transformer winding. At the service panel, the neutral wire is connected to a physical ground. The 120V distribution circuits are connected between one hot wire and the neutral. In these circuits, the black wire is "hot" and the white wire is at ground potential. The white wire is called the "identified conductor" and should not be interrupted by a switch. A bare wire, or one with green insulation, is used to ground metal parts of any device supplied with current. It normally carries no current. Should a fault occur where the hot conductor contacts an exposed metal surface, the resulting current opens a protective device to disconnect the circuit. This is by no means a perfect arrangement. If the ground connection is somehow broken, then any fault renders all metal surfaces hot and dangerous! It is best to keep mains ground and any electronic grounds strictly separate.

In an EIA-422 or EIA-485 communications link, the receiver should be referenced to the same ground as the transmitter. This can always be done by using a power supply for the receiver that is isolated from the mains ground with a transformer so that its ground is floating. This ground is then connected to the transmitter ground by a wire (often one of the twisted pairs in the cable specifically selected for this). If the signal must be used by a system referenced to a physical ground at the terminal point, then the signals should be coupled with optocouplers so that complete isolation is provided. The physical or mains grounds at the two ends of the link should not be directly connected in any case.

The common-mode voltage of the signal lines is specified to be within the range of -7 to +10 V. This wide range is enough to handle any condition encountered if the link is grounded as just explained, and may even allow communication over short links without the use of any ground wire at all in many cases. This has led to the misapprehension that only the two signal wires are necessary because all the information is in the difference of the voltages. This matter is nearly neglected in the technical information, which adds to the confusion. The EIA-485 link is a 3-wire link, and the ground connection is always required.

Testing an EIA-485 Link

It is very easy to construct an EIA-485 data link. Typical transceivers are the DS75176B and the Maxim MAX13082, which are in 8-PDIP packages and use a single +5V supply. Since the receiver and transmitter are internally connected to the two link conductors, they are appropriate for half-duplex links. It happens that while the standard defines the B line as the noninverting output of the transmitter and the A line as the inverting output, the semiconductor manufacturers use the exactly opposite convention and call the noninverting line output A. This should cause no problem if the difference is kept in mind and the A outputs are all connected together as well as all the B outputs. Transmitters and receivers are also available where the line inputs and outputs are not internally connected (for example, the MAX13080) so that a full-duplex link can be constructed.

The pinout of a typical transceiver is shown at the right, with pin numbers for the usual 8-PDIP package. Data at the D input is driven onto the link conductors when the enable DE is high. When DE is low, the transmitter output is high-impedance, leaving the link conductors free. Differential data on the link conductors appears at the R output when the receive enable /RE is low. When /RE is high, the output R is high-impedance. Note that if DE and /RE are connected together, a high level enables transmission and a low level enables reception. If DE is high and /RE is low, the data on D will simply appear at R. The R output is high if the differential voltage VB - VA is greater than +0.2V, low if the differential voltage is less than -0.2V. The output level is indeterminate if the differential voltage is between 0.2V and -0.2V, or if A and B are open.

The recommended limits on the common mode voltage (A + B)/2 are -7.0V to +12 V, but the maximum safe values are -10V to +15V. This allows the receiver to work properly even if the ground references on the transmitter and receiver vary by a considerable amount, due to electrical noise. Therefore, the ground connection will work well under all conditions -- except for the absence of any ground connection at all! The SN65HVD20-24 series has a common mode range of -20 V to +25 V, should this be required.

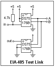
A circuit for demonstrating an EIA-485 link is shown at the left. In an actual circuit, the +5 pins should be bypassed by 0.1μF ceramic capacitors, and the 4.7k pullup resistor is not required. Construct the circuit, apply power and measure the output voltages on lines A and B for input data of 1 and 0. For the input low value, simply connect the data pin to ground on the breadboard. The output differential voltage is about 3.5 V, much greater than the 0.4 V uncertainty range. Use a square wave input from a signal generator, and look at the output data with the oscilloscope.


Fail-Safe and Termination Resistors

Because the transmitter outputs can be placed in a high-impedance state, it may be possible for both signal lines to float and not guarantee a determinate state at the receivers. When the line is idle, this state is conventionally a Mark, or B high and A low. A pullup resistor on the B line and a pulldown resistor on the A line will guarantee a Mark state. This is called a fail-safe provision.

If the differential line is not terminated in its characteristic impedance between the two conductors, signals will be reflected at the terminations. For twisted-pair, this resistance is about 120Ω, so the line will be properly terminated when a resistor of this size is connected between the A and B conductors at the ends of the link. If the signalling rate is slow enough, there will be ample time for the line to settle in the bit length, so proper termination is not required. In fact, it is best omitted as these resistors are a significant load for the transmitters (about 30 mA), and besides interact with the fail-safe resistors. The usual transmitters are rated at 60 mA output, just enough to handle two termination resistors.

The type of cable for the link is not critical, except at the highest signalling rates. A cable with two #24AWG twisted pairs is a good choice. One pair is used for the differential signal, the other is used for the ground connection with the two wires connected together. Shielding is not necessary, but may be used if desired. It should be connected to the ground at one end only, and not used for the ground connection. Ordinary 2-pair telephone cable may be quite satisfactory, and easily connected with RJ-11 connectors, at low signalling rates.

References

Texas Instruments Application Note SLLA036d, "Interface circuits for TIA/EIA-485 (RS-485)".
Texas Instruments Application Note SLLA272B, "RS-485 Design Guide".
National Semiconductor Application Note AN-1031, "TIA/EIA-422B Overview".
Data sheets for DS76176 and MAX1308X.


Return to Electronics Index

Composed by J. B. Calvert
Created 13 March 2010
Last revised