Analog Delay Devices

How to use a Bucket-Brigade Device, with the Reticon SAD-1024 as an example


The realization of a delay of an analog signal is useful in many connections, but delay circuits receive very little (if any) mention in electronics texts. It is simple to realize a digital delay. The signal is fed into one end of a shift register, and it appears at the other end after N clock periods, where N is the length of the register. An analog delay is more difficult to obtain, and the methods available depend on the length of the desired delay. For long delays, perhaps of the order of seconds, the only practical method is recording and reproduction. A tape loop is an example of this, as is the rotating magnetic drum storage used with some early computers. Actually, the purpose of the magnetic drum was digital data storage, not delay, but it could well have been used for the purpose. Data was written on the surface of the drum, then carried around physically until read and rewritten at another point. Delay lines may be used to create pulses, or to realize delayed coincidence counters, in electronic instrumentation.

A general method of creating a delay is the use of wave propagation. A wave that travels at velocity V is received at a distance L a time L/V later. For nondispersive propagation, the velocity V is independent of the frequency. Phase, group and energy velocity are all the same, and things are simple. Electromagnetic waves can be created at one end of a transmission line of length L, and picked off at the other end with a delay of L/V. Transmission line wave velocities, especially for nondispersive propagation, are of the order of the speed of light, 3 x 108 m/s. For easy comprehension, this is about a foot per nanosecond. It is possible to make transmission lines with lumped L and C with a considerably smaller velocity, but electromagnetic delay lines are useful only for delays measured in nanoseconds, with an upper limit of perhaps a microsecond. Toko offers delay lines with delays of 250 or 300 ns.

A helical or wound delay line has a shielded conductor wrapped around an insulating core, and appears externally much like a coaxial cable. Lines are available that give 7 to 85 ns/ft. If loaded with ferrite, the delay can reach 1 μs/ft.

If a longer delay is desired, slower waves must be used. Acoustic (sonic, ultrasonic, etc.) waves travel at around 104 m/s in metals and liquids, or 102 m/s in gases. It is not practical to use gases, since transducers do not couple with gases as well as they do with solids and liquids. The usual acoustic wave in a solid, liquid or gas is the compressional or P wave, whose velocity is the square root of the compressibility divided by the density. Shear waves also exist in solids, and travel a bit more slowly than compressional waves. The most-used waves for delay lines, however, are the Rayleigh waves at the surface of the medium. These are shear waves, polarized vertically, in which the motion elliptical. They travel at 0.92 the speed of bulk shear waves. In aluminum, which has a modulus of rigidity of 4 x 106 psi, and density of 0.097 lb/in3, the speed of shear waves is close to 1 x 104 m/s. This means that a delay of 1 μs is obtained in about 1/8" (steel and iron give about the same figure). Acoustic delay lines can, it appears, furnish delays in the microsecond region with reasonable sizes. A quartz line using shear waves (Y-cut crystal transducers) gives 6.75 μs/in (wave speed 0.15 "/s), and with longitudinal waves (X-cut crystals) 4.26 μs/in (wave speed 0.235"/s). A mercury delay line gives 15.2 μs/in. A magnetostriction delay line is a nickel wire with windings at each end that serve as transducers. Magnetostriction creates a mechanical pulse that travels along the line. All these lines give a fixed delay, depending on the length of the line, and the delay cannot be easily varied.

Acoustic devices using Rayleigh waves (SAW devices), are commonly used as filters and for other pulse-handling devices. One interesting application is as a dispersive delay line, in which the delay is proportional to the frequency. A pulse entering at one end is separated into its frequency components at the other. Such lines are used in "chirp" radars.

A loudspeaker and a microphone make an acoustic delay line of variable length that can be used for experiments, such as measuring the speed of sound or creating feedback howls. Sound waves are so slow that a 1 meter path gives a delay of around 3 ms.

For delays in the millisecond range, between the ranges where recording or wave propagation are convenient, the Bucket-Brigade Device (BBD) may be useful. This is an NMOS or PMOS VLSI (very-large-scale integration) device that is essentially an analog shift register. Analog values are shifted from one cell to another by clock pulses. At the input end, the band-limited signal is sampled at the clock rate, and at the other the sampled values are made available at a later time. Low-pass filtering then restores the band-limited analog signal. These devices were first used to read out the analog values of a CCD (charge-coupled device) optical sensor. A line of pixels is transferred to the units of a BBD, and then shifted out serially. It was recognized that these devices could also serve as delay lines, so BBD's were manufactured for this specific purpose. They have the very great advantage that the delay time can be varied simply and electrically by changing the clock frequency.

The BBD studied here, the Reticon SAD-1024, is an NMOS device that was once sold by Radio Shack to experimenters. The current Digi-Key catalog contains Panasonic PMOS devices on p. 358. They are rather well-hidden, since they do not appear in the indexes, either under delay lines, BBD's, or Panasonic. A data book is available, as well as a 3328-stage BBD for $25 that will probably be easier to use than the earlier SAD-1024.

One stage or unit of the BBC is shown schematically at the right. The clock lines are φ1 and φ2, energized by complementary square waves from 0 to Vdd, the supply voltage. The voltage Vbb is called the "transport tetrode gate bias" and is a few volts less than Vdd, though the BBD works if it is at Vdd. The line with the MOSFET channels is at potential Vib, the input bias, which is somewhat critical. This schematic gives some idea of how the device is constructed, but to understand how it works requires a more detailed description of its construction. The idea is that potential wells holding the charges obtained by sampling the input are moved from left to right by the alternating clock potentials without spilling any of the charge, so the potential remains constant.

The SAD-1024 works with a supply voltage of from 10 to 17 V. Vbb is 1 V less than Vdd for best results, but for convenience may be held at Vdd, as I have done here. The clock voltages are nominally 0 to Vdd, but may be as low as 5 V with reduced performance. The clock frequency may be from 1.5 kHz to 1.5 MHz. The clock duty cycle is not critical, so long as the shortest phase is longer than what corresponds to 1.5 MHz (0.67 μs). Clock rise and fall times are typically 30 and 50 ns, respectively. The input resistance is about 200k. The maximum signal frequency should be no greater than half the clock frequency, and 1/3 is better, as is normally the case with sampled analog signals, to avoid aliasing problems. All unused outputs should be connected to Vdd, and all unused inputs, including NC pins, to ground.

The two-phase clock signal can be produced with the relaxation oscillator shown at the left, which uses a 4001 CMOS quad NOR gate. This supplies clock signals of the full +12V amplitude. The duty cycle is not 50%, but the rise and fall times are satisfactory. The frequency is adjusted with the potentiometer connected as a rheostat. A 500k potentiometer would give a wider range, but 220k is what I had at hand. The circuit shown will produce a range of frequencies from 11 kHz to 185 kHz adequate for this experiment. Note that HC logic cannot be used because of its limited supply voltage.

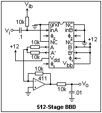
A circuit for testing one of the 512-stage BBD's is shown at the right. Note that all pins are connected somewhere. You will need a variable voltage source for Vib, the input bias voltage. I used a potentiometer buffered with a 411, but a simple potentiometer between 0 and +12 will probably do as well. This bias voltage is quite critical for the largest signal for which the ouput is undistorted. This largest signal is about 2V peak-to-peak, and required a bias voltage of 3.86 V for my chip. Adjust the bias voltage while looking at the output with an oscilloscope, trying to get the best output waveform that is not flat at the top or bottom. The gain of this circuit is quite close to +1, so the output looks just like the input. To show that the circuit is indeed creating a delay when using a sinusoidal signal, trigger the scope on the input and then vary the clock frequency. The ouput will be seen to move accordingly.

In the circuit at the left, the two BBD's are cascaded into one 1024-stage BBD. With the clock mentioned, the delay times are from 5.5 ms to 91 ms, and the input signal bandwidth is 11/3 = 3.7 kHz. Note how the ouputs of the A stages are grounded, and their average applied to the input of the B stages. The overall gain of this circuit is 0.5, which could be made +1 by changing the feedback resistor on the op-amp. Note how the op-amp sums the outputs into its virtual ground at the (-) input. These circuit have only a simple RC low-pass filter at the output to filter the clock frequency, and no input filter at all. In a practical application, more care should be taken in filtering the input and output, perhaps with higher-order filters.

The input could be added to a variable amount of the output by an op-amp adder, with the result supplied to an audio amplifier and loudspeaker, to make a "reverberation" unit. The range of delays available should produce a noticeable effect. Several signal-processing applications suggest themselves, such as finding autocorrelation.


Return to Electronics Index

Composed by J. B. Calvert
Created 13 January 2002
Last revised 16 January 2002